Napájení pro Garmin GPSMAP 60CSx z cigaretového zapalovače

Na konektrou cigaretového zapalovače je kostra/zem vnější plášť a plus je na středovém kolíku.

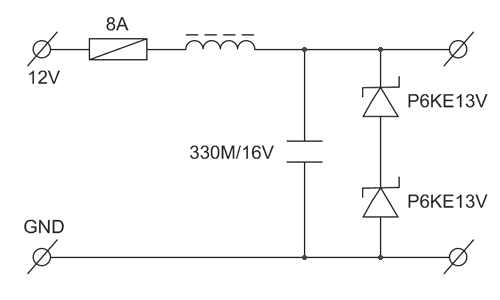
scheme

Konektor cigaretového zapalovače je připojen (výše na schema) vlevo a vpravo se připojí pPlug (níže ;-)).

pplug

Celé je to udělané z filtru pro napájení autorádia.
Dva 13V transily způsobí, že při vstupním napětí větším než 26V se přeruší pojistka.
Krátkodobé impulzní špičky eliminuje tlumivka s kondenzátorem - LC obvod.
Zde je vidět, jak to vypadá ve finále.

finale

© LASOFT 2006